и НИИБ_Т
Общее·количество·просмотров·страницы
четверг, 31 октября 2024 г.
Вариом зарядно-преобразовательное устройство
Вариом схема
среда, 30 октября 2024 г.
Свитязь УЗИ-П-12/6-6.Б3-УХЛ3.1 зарядное устройство
Свитязь УЗИ-П-12/6-6.Б3-УХЛ3.1 схема
четверг, 24 октября 2024 г.
Рассвет КМ-14М зарядное устройство
Рассвет КМ-14М схема
вторник, 22 октября 2024 г.
Ресурс1 зарядное устройство
Ресурс 1 схема
понедельник, 21 октября 2024 г.
МА-150 сварочно зарядное устройство
МА 150 схема
суббота, 19 октября 2024 г.
Арго зарядное устройство
Арго схема зарядного устройства
пятница, 18 октября 2024 г.
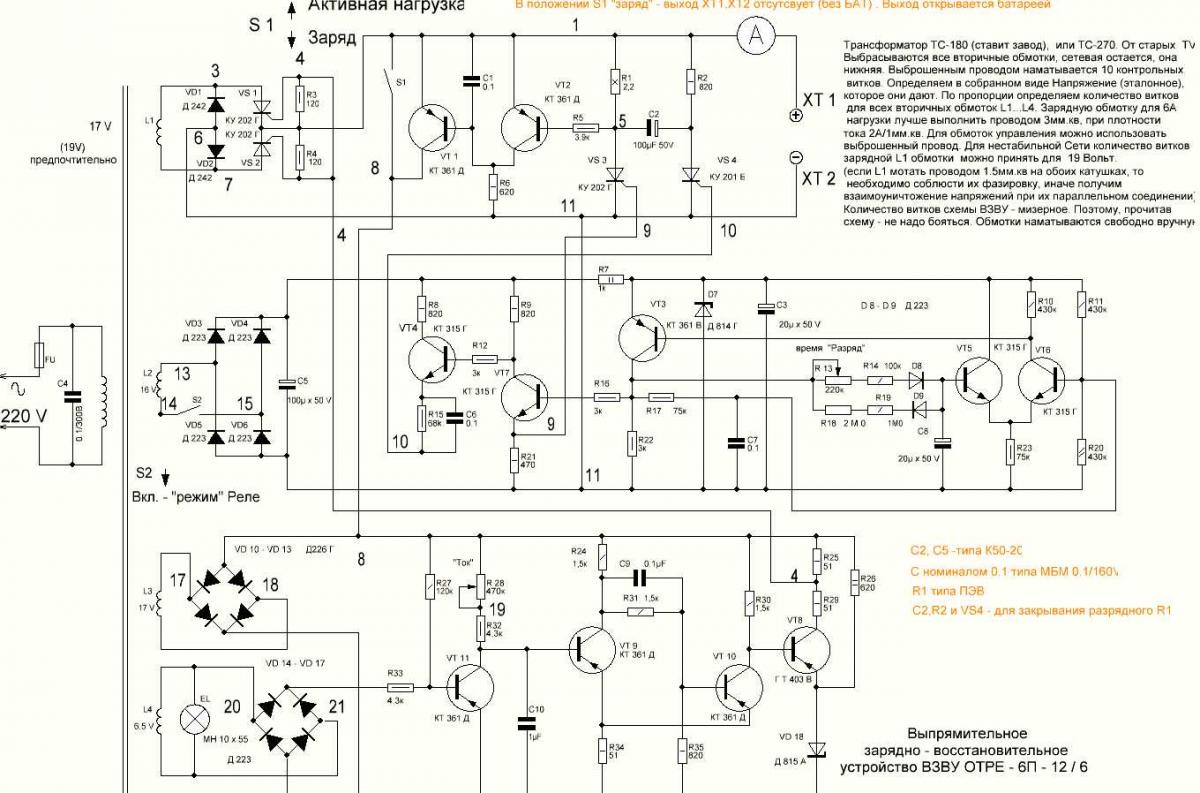
ОТРЕ-6П-12/6 зарядно-аосстановительное устройство
ОТРЕ-6П-12/6 схема
четверг, 17 октября 2024 г.
Заводила АЗУ-315(115) зарядное устройство
Заводила АЗУ-315(115) схема зарядного устройства
среда, 16 октября 2024 г.
ЗРУ 12/6-6 зарядное устройство
ЗРУ 12/6-6 схема
вторник, 15 октября 2024 г.
УЗПУ -М-12/24-15 пуско-зарядное устройство
УЗПУ -М-12/24-15 пуско-зарядное
понедельник, 14 октября 2024 г.
УЗА1 зарядное устройство
Схема УЗА1
воскресенье, 13 октября 2024 г.
УЗР-П-12-6,3 УХЛ3,1 зарядное устрйство
УЗР-П-12-6,3 УХЛ3,1 схема
Схемы зарядного устройства
суббота, 12 октября 2024 г.
Артон БП-02 пуско-зарядное устройство
Артон бп-02 схема
четверг, 10 октября 2024 г.
УЗ-ПА-6/12-6,3-УХЛ3.1 Электроника зарядное устройство
УЗ-ПА-6/12-6,3-УХЛ3.1 Электроника зарядное устройство схема
среда, 9 октября 2024 г.
ВУ-71М зарядное устройство
Схема зарядного устройства ВУ-71М
вторник, 8 октября 2024 г.
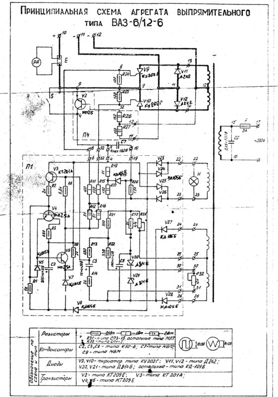
ВАЗ 6/12 6 зарядное устройство
Схема зарядного устройства ВАЗ 6/12 6
понедельник, 7 октября 2024 г.
БАРХАТ УЗ-П-12-6,3-УХЛ 3.1
БАРХАТ
УЗ-П-12-6,3-УХЛ 3.1 схема зарядно-выпрямительного устройства
воскресенье, 6 октября 2024 г.
ЗУ-2М зарядное устройство
Схема зарядного устройства ЗУ-2М
суббота, 5 октября 2024 г.
ВЗ1-5А зарядное устройство
Схема зарядного устройства ВЗ1-5А
пятница, 4 октября 2024 г.
ЗРУ 1 зарядное устройство
Схема зарядного устройства ЗРУ 1
четверг, 3 октября 2024 г.
Электрон 3М зарядное устройство
Схема зарядного устройства Электрон 3М
Электрон 3М
среда, 2 октября 2024 г.
Электрон 5 зарядное устройство
Схема зарядного устройства Электрон 5
Узп-С-12-6.3-Ухл 3.1 Саранск пуско-зарядное устройство
Узп-С-12-6.3-Ухл 3.1 Саранск пуско-зарядное устройство схема
Пускозарядное-сварка на тиристорах Т160
Smile пуско-зарядное устройство
Схема пуско-зарядное устройства Smile
вторник, 1 октября 2024 г.
К-14М Рассвет зарядное устройство
Схема зарядного устройства Рассвет (К-14М)
ДубнаМ пуско-зарядное устройство
Схема пуско-зарядного устройства ДубнаМ
Следующие
Предыдущие
Главная страница
Подписаться на:
Комментарии (Atom)